
型号:31306J2/QDF
订购电话:15811153859
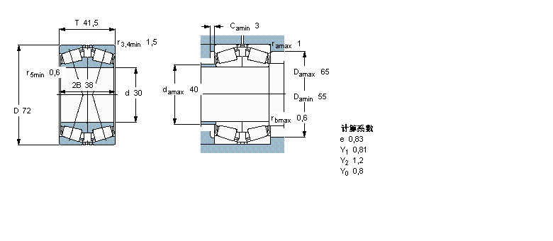
| 圆锥滚子轴承, 单列,面对面配对 | ||||||||||
| 公差 , 参见文字 | ||||||||||
| 轴向内部间隙, 参见文字 | ||||||||||
| 推荐配合 | ||||||||||
| 轴和轴承座公差 | ||||||||||
| | ||||||||||
| 主要数据尺寸 | 基本负荷额定值 | 疲劳负荷限值 | 额定速度 | 体积 | 型号 | |||||
| 动态 | 静态 | 参照速度 | 限制速度 | |||||||
| d | D | T | C | C0 | Pu | |||||
| | ||||||||||
| mm | kN | kN | r/min | kg | - | |||||
| | ||||||||||
| 30 | 72 | 41,5 | 80,9 | 100 | 11,4 | 5300 | 9500 | 0,85 | 31306 J2/QDF | |
SKF 3307A-2Z/MT33轴承 SKF 3307A-2RS1TN9/MT33轴承 SKF 3307A轴承 SKF 5207E-2Z轴承 SKF 5207E-2RS1轴承 SKF 5207E轴承 SKF 5207A-2Z轴承 SKF 5207A-2RS1轴承 SKF 5207A轴承 SKF 3207ATN9轴承 SKF 3207A-2ZTN9/MT33轴承 SKF 3207A-2Z/MT33轴承 SKF 3207A-2RS1TN9/MT33轴承 SKF 3207A-2RS1/MT33轴承 SKF 3207A轴承 SKF E2.6307-2Z/C3轴承 SKF E2.6207-2Z/C3轴承 SKF 6407NR轴承 SKF 6407N轴承 SKF 6307-ZNR轴承 SKF 6307-2ZNR轴承 SKF 6207-ZNR轴承 SKF 6207-2ZNR轴承 SKF 22206E轴承 SKF 31306J2/QDF轴承 SKF 51306轴承 SKF 51206轴承 SKF 51106轴承 SKF NKXR30Z轴承 SKF NKXR30轴承 SKF NKX30Z轴承 SKF NKX30轴承 SKF NX30Z轴承 SKF NX30轴承 SKF NKIB5906轴承 SKF NKIA5906轴承 SKF IR30x38x20IS1轴承 SKF IR30x37x22轴承 SKF IR30x37x18轴承 SKF IR30x35x30轴承 SKF IR30x35x26轴承 SKF LR30x35x20.5轴承 SKF IR30x35x20.5轴承 SKF IR30x35x20轴承 SKF IR30x35x17轴承 SKF LR30x35x16.5轴承 SKF IR30x35x16轴承 SKF IR30x35x13轴承 SKF LR30x35x12.5轴承 SKF PNA30/52轴承 SKF RPNA30/47轴承 SKF RNAO30x42x32轴承 SKF RNAO30x42x16轴承 SKF RNAO30x40x17轴承 SKF 6307NR轴承 SKF 6307N轴承 SKF 6207NR轴承 SKF 6207N轴承 SKF 6007NR轴承
轴承型号查询- 关于我们- 联系我们- 帮助中心- 专用轴承- 网站导航- 轴承索引
客服热线:010-80849863 客服QQ:168681653
地址:北京市丰台区马家堡西路36号 京ICP备17062353号-1