
型号:6004-2RSLTN9/HC5C3WT
订购电话:15811153859
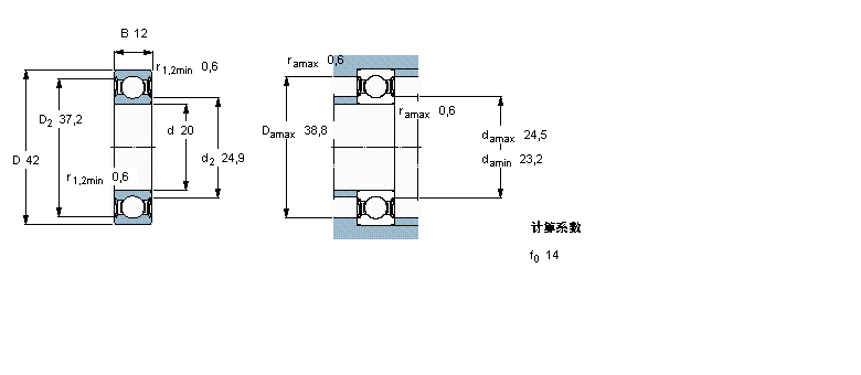
| 深沟球轴承, 单列陶瓷混合轴承, 低摩擦两面密封件 | ||||||||||
| 公差, 参见文字 | ||||||||||
| 径向内部游隙 , 参见文字 | ||||||||||
| 推荐配合 | ||||||||||
| 轴和轴承座公差 | ||||||||||
| | ||||||||||
| 主要数据尺寸 | 基本负荷额定值 | 疲劳负荷限值 | 额定速度 | 体积 | 型号 | |||||
| 动态 | 静态 | 参照速度 | 限制速度 | |||||||
| d | D | B | C | C0 | Pu | |||||
| | ||||||||||
| mm | kN | kN | r/min | kg | - | |||||
| | ||||||||||
| 20 | 42 | 12 | 9,95 | 5 | 0,212 | 48000 | 32000 | 0,062 | 6004-2RSLTN9/HC5C3WT | |
SKF 3204A-2RS1/MT33轴承 SKF 3204A轴承 SKF 7304BEY轴承 SKF 7304BEP轴承 SKF 7304BEGBP轴承 SKF 7304BEGAP轴承 SKF 7304BECBY轴承 SKF 7304BECBPH轴承 SKF 7304BECBP轴承 SKF YET204/W64轴承 SKF YAR204-2RF/W64轴承 SKF YAR204-2FW/VA228轴承 SKF YAR204-2FW/VA201轴承 SKF 1726204-2RS1轴承 SKF YSA205-2FK轴承 SKF YEL204-2RF/VL065轴承 SKF YET204/VL065轴承 SKF YAR204-2RF/VE495轴承 SKF YAR204-2RF/HV轴承 SKF 4304ATN9轴承 SKF 4204ATN9轴承 SKF 6304/VA201轴承 SKF 6304-2Z/VA208轴承 SKF 6304-2Z/VA201轴承 SKF 6204/VA201轴承 SKF 6204-2Z/VA228轴承 SKF 6204-2Z/VA201轴承 SKF 6004-2Z/VA208轴承 SKF 6204-2RSLTN9/HC5C3WT轴承 SKF 6004-2RSLTN9/HC5C3WT轴承 SKF NNF5004ADB-2LSV轴承 SKF NNCF5004CV轴承 SKF 7304BECBM轴承 SKF 7204BEP轴承 SKF 7204BEGBP轴承 SKF 7204BEGAP轴承
轴承型号查询- 关于我们- 联系我们- 帮助中心- 专用轴承- 网站导航- 轴承索引
客服热线:010-80849863 客服QQ:168681653
地址:北京市丰台区马家堡西路36号 京ICP备17062353号-1