
型号:239/1060CAF/W33
订购电话:15811153859
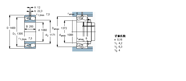
| 球面滚子轴承, 圆柱和圆锥孔, 圆柱型内孔, 无密封件 | ||||||||||
| 公差 , 参见文字 | ||||||||||
| 径向内部间隙, 圆柱型内孔 , 圆锥型内孔, 无密封件 , 参见文字 | ||||||||||
| 推荐配合 | ||||||||||
| 轴和轴承座公差 | ||||||||||
| | ||||||||||
| 主要数据尺寸 | 基本负荷额定值 | 疲劳负荷限值 | 额定速度 | 体积 | 型号 | |||||
| 动态 | 静态 | 参照速度 | 限制速度 | |||||||
| d | D | B | C | C0 | Pu | |||||
| | ||||||||||
| mm | kN | kN | r/min | kg | - | |||||
| | ||||||||||
| 1060 | 1400 | 250 | 9550 | 26000 | 1460 | 180 | 360 | 1100 | 239/1060 CAF/W33 | |
SKF 511/1060M轴承 SKF 591/1060JR轴承 SKF 510/1060M轴承 SKF C39/1060MB轴承 SKF C39/1060KMB轴承 SKF 321489轴承 SKF 240/1060CAK30F/W33轴承 SKF 240/1060CAF/W33轴承 SKF 230/1060CAKF/W33轴承 SKF 230/1060CAF/W33轴承 SKF 249/1060CAK30F/W33轴承 SKF 249/1060CAF/W33轴承 SKF 239/1060CAKF/W33轴承 SKF 239/1060CAF/W33轴承 SKF 248/1060CAMA/W20轴承 SKF 248/1060CAK30MA/W20轴承 SKF 238/1060CAMA/W20轴承 SKF 238/1060CAKMA/W20轴承 SKF NNU41/1060M/W33轴承 SKF NNU41/1060K30M/W33轴承 SKF N30/1060/241663轴承 SKF NU39/1060ECKMA/HA1轴承 SKF NU29/1060ECMA/HB1轴承 SKF N28/1060MB轴承 SKF 316789/HA1轴承 SKF 70/1060AMB轴承 SKF 60/1060MB轴承 SKF 619/1060MB轴承 SKF 618/1060TN轴承 SKF 618/1060MA轴承 SKF 241/1000ECAF/W33轴承 SKF BCSB320099轴承 SKF 316234A轴承 SKF NNU41/1000M/W33轴承 SKF NNU41/1000K30M/W33轴承 SKF NNU40/1000M/W33轴承 SKF NNU40/1000KM/W33轴承 SKF NN49/1000/W33X轴承
轴承型号查询- 关于我们- 联系我们- 帮助中心- 专用轴承- 网站导航- 轴承索引
客服热线:010-80849863 客服QQ:168681653
地址:北京市丰台区马家堡西路36号 京ICP备17062353号-1