
型号:NU20/670ECMA
订购电话:15811153859
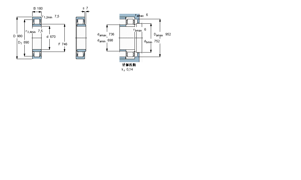
| 圆柱滚子轴承, 单列, NU 设计 | ||||||||||||
| 公差 , 参见文字 | ||||||||||||
| 径向内部间隙, 圆柱型内孔 , 圆锥型内孔, 无密封件 , 参见文字 | ||||||||||||
| 推荐配合 | ||||||||||||
| 轴和轴承座公差 | ||||||||||||
| | ||||||||||||
| 主要数据尺寸 | 基本负荷额定值 | 疲劳负荷限值 | 额定速度 | 体积 | 型号 | 适宜的斜挡圈 | ||||||
| 动态 | 静态 | 参照速度 | 限制速度 | 型号 | ||||||||
| d | D | B | C | C0 | Pu | |||||||
| | ||||||||||||
| mm | kN | kN | r/min | kg | - | - | ||||||
| | ||||||||||||
| 670 | 980 | 180 | 5390 | 11000 | 750 | 500 | 800 | 480 | NU 20/670 ECMA | - | ||
SKF 718/710ACMB轴承 SKF NCF29/710V轴承 SKF NCF28/710V轴承 SKF NCF18/710V轴承 SKF 360141轴承 SKF 60/710MA轴承 SKF 306704C轴承 SKF 619/710MA轴承 SKF 609/710MA轴承 SKF 618/710MA轴承 SKF 316967轴承 SKF 313008A轴承 SKF BC2-8015/HB1轴承 SKF BC2-8074/HA5轴承 SKF BT4B328349/HA1轴承 SKF BT1B332787/HA4轴承 SKF 313154C轴承 SKF 230/670CAK/W33轴承 SKF 230/670CA/W33轴承 SKF 239/670CAK/W33轴承 SKF 239/670CA/W33轴承 SKF 248/670CAMA/W20轴承 SKF 238/670CAMA/W20轴承 SKF 238/670CAKMA/W20轴承 SKF NNU41/670M/W33轴承 SKF NNU41/670K30M/W33轴承 SKF NNU40/670M/W33轴承 SKF NNU40/670KM/W33轴承 SKF NU30/670MA/342771轴承 SKF NU20/670ECMA轴承 SKF NU10/670ECMA轴承 SKF NUP19/670ECMA轴承 SKF NU19/670ECMA轴承 SKF NJ18/670MA6/343016轴承 SKF 2×718/670AGMB轴承 SKF 70/670AMB轴承 SKF 718/670AMB轴承 SKF 718/670ACMB轴承 SKF NCF29/670V轴承 SKF NCF28/670V轴承 SKF NCF18/670V轴承 SKF 60/670N1MAS轴承 SKF 619/670MA轴承 SKF 609/670MA轴承 SKF 618/670TN轴承 SKF 618/670MA轴承 SKF BT4-8060G/HA4VA901轴承 SKF BT4-8060G/HA4C300VA901轴承 SKF BT4B328511/HA1轴承 SKF BT4B334002G/HA1VA901轴承 SKF BT4B331065AG/HA4轴承 SKF 313477B/VJ202轴承 SKF 239509FA轴承 SKF 313477B轴承 SKF BGSB634147轴承 SKF 358162A轴承 SKF 358130轴承 SKF BT4-8037G/HA1VA901轴承 SKF 316012轴承
轴承型号查询- 关于我们- 联系我们- 帮助中心- 专用轴承- 网站导航- 轴承索引
客服热线:010-80849863 客服QQ:168681653
地址:北京市丰台区马家堡西路36号 京ICP备17062353号-1