
型号:NJ1884MA6
订购电话:15811153859
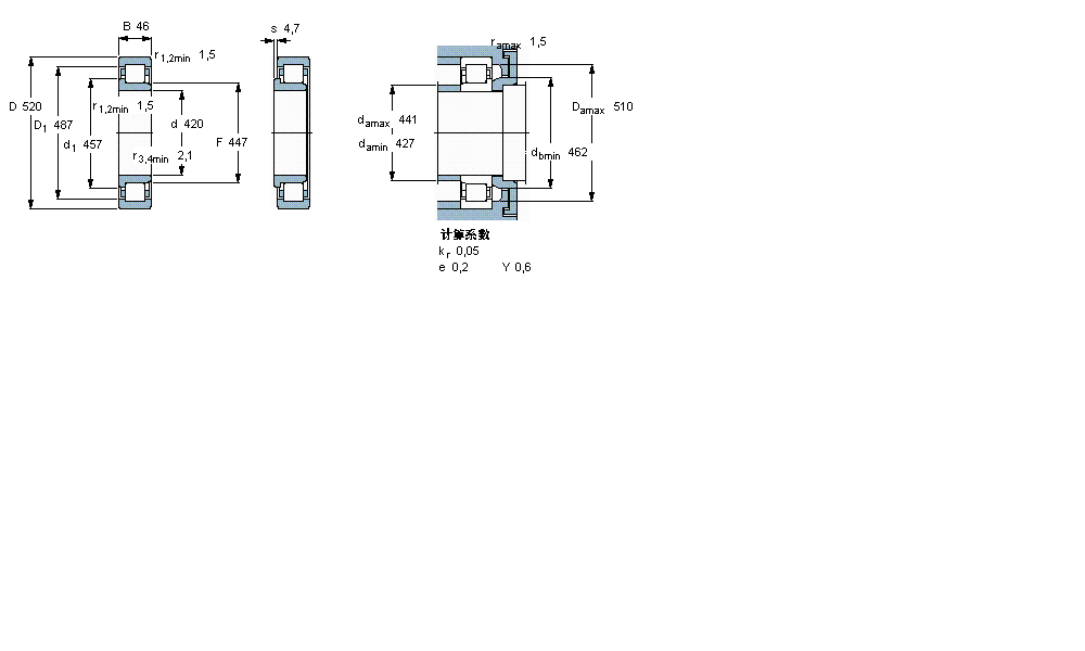
| 圆柱滚子轴承, 单列, NJ 设计 | ||||||||||||
| 公差 , 参见文字 | ||||||||||||
| 径向内部间隙, 圆柱型内孔 , 圆锥型内孔, 无密封件 , 参见文字 | ||||||||||||
| 推荐配合 | ||||||||||||
| 轴和轴承座公差 | ||||||||||||
| | ||||||||||||
| 主要数据尺寸 | 基本负荷额定值 | 疲劳负荷限值 | 额定速度 | 体积 | 型号 | 适宜的斜挡圈 | ||||||
| 动态 | 静态 | 参照速度 | 限制速度 | 型号 | ||||||||
| d | D | B | C | C0 | Pu | |||||||
| | ||||||||||||
| mm | kN | kN | r/min | kg | - | - | ||||||
| | ||||||||||||
| 420 | 520 | 46 | 550 | 1120 | 95 | 1200 | 1600 | 20,5 | NJ 1884 MA6 | - | ||
SKF 60888MA轴承 SKF C3192KM+OH3192H轴承 SKF C3092KM+OH3092H轴承 SKF C3992KMB+OH3992HE轴承 SKF BT4-8040G/HA4轴承 SKF BT4B334095G/HA4VA901轴承 SKF BT2B334013/HA1轴承 SKF BT4-8006BG/HA1轴承 SKF BT4-8049G/HA1轴承 SKF 331192A轴承 SKF 23292CAK/W33+OH3292H轴承 SKF 23192CAK/W33+OH3192H轴承 SKF 23092CAK/W33+OH3092H轴承 SKF 23992CAK/W33+OH3992H轴承 SKF 313555C轴承 SKF 313555B轴承 SKF 313555A轴承 SKF BC2B326137/HB1轴承 SKF NNU4884/W33轴承 SKF NNU4884K/W33轴承 SKF NU3184ECMA/HB1轴承 SKF NU3084ECMA轴承 SKF NF3084ECMB轴承 SKF NU2084ECMA轴承 SKF NU1084MA轴承 SKF NU2984MA轴承 SKF NJ1984ECMA轴承 SKF NJ3884MA轴承 SKF NU1884MA轴承 SKF NJ1884MA6轴承 SKF QJ1284N2MA轴承 SKF QJ1084N2MA轴承 SKF QJ1984MA轴承 SKF 2×7084BGM轴承 SKF 7084BGM轴承 SKF 7084AM轴承 SKF 71984BM轴承 SKF 71984AM轴承 SKF NCF3084CV轴承 SKF NCF2984CV轴承 SKF NCF1884V轴承 SKF 6084M轴承 SKF 61984MA轴承 SKF 61884MA轴承 SKF C3188KMB+OH3188HE轴承 SKF C3088KMB+OH3088HE轴承 SKF C3988KM+OH3988HE轴承 SKF 23288CAK/W33+OH3288H轴承 SKF 23188CAK/W33+OH3188H轴承 SKF 23088CAK/W33+OH3088H轴承 SKF 23988CCK/W33+OH3988H轴承 SKF 313877B轴承 SKF BC4B320612轴承 SKF BC4B322038/HA2轴承 SKF 316689轴承 SKF 316019轴承 SKF 468431轴承 SKF 314987B轴承
轴承型号查询- 关于我们- 联系我们- 帮助中心- 专用轴承- 网站导航- 轴承索引
客服热线:010-80849863 客服QQ:168681653
地址:北京市丰台区马家堡西路36号 京ICP备17062353号-1