
型号:NU2276ECMA
订购电话:15811153859
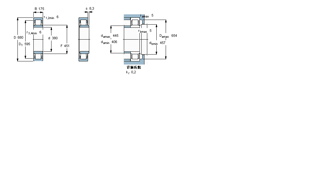
| 圆柱滚子轴承, 单列, NU 设计 | ||||||||||||
| 公差 , 参见文字 | ||||||||||||
| 径向内部间隙, 圆柱型内孔 , 圆锥型内孔, 无密封件 , 参见文字 | ||||||||||||
| 推荐配合 | ||||||||||||
| 轴和轴承座公差 | ||||||||||||
| | ||||||||||||
| 主要数据尺寸 | 基本负荷额定值 | 疲劳负荷限值 | 额定速度 | 体积 | 型号 | 适宜的斜挡圈 | ||||||
| 动态 | 静态 | 参照速度 | 限制速度 | 型号 | ||||||||
| d | D | B | C | C0 | Pu | |||||||
| | ||||||||||||
| mm | kN | kN | r/min | kg | - | - | ||||||
| | ||||||||||||
| 380 | 680 | 175 | 3960 | 6400 | 510 | 850 | 1300 | 275 | NU 2276 ECMA | - | ||
SKF 7080BM轴承 SKF 7080AM轴承 SKF 307238轴承 SKF 71980AM轴承 SKF NCF3080CV轴承 SKF NCF2980CV轴承 SKF NCF1880V轴承 SKF BB1B362809轴承 SKF 6080M轴承 SKF 306614轴承 SKF 61980MA轴承 SKF 60980M轴承 SKF 61880MA轴承 SKF 60880MA轴承 SKF BT4B332824/HA1轴承 SKF BT4B332824E/C475轴承 SKF BT2-8014/HA3VA901轴承 SKF BT2-8011/HA3VA901轴承 SKF BT2B328934/HA3轴承 SKF BT2B328896/HA3轴承 SKF BT2B334045/HA3轴承 SKF BT2B328705/HA1轴承 SKF 313190A轴承 SKF BC4B322498轴承 SKF 316062轴承 SKF BC2B326131/HB1轴承 SKF NNU4876/W33轴承 SKF NNU4876K/W33轴承 SKF NU2276ECMA轴承 SKF NU3076ECMP轴承 SKF NU2076ECMA轴承 SKF NU1076MA轴承 SKF NJ1076MA轴承 SKF NUP1876ECM轴承 SKF NU1876ECM轴承 SKF BC1B322770A/HB1轴承 SKF 316010A轴承 SKF QJ1276N2MA轴承 SKF QJ1076N2MA轴承 SKF 2×7076BGM轴承 SKF 2×71976ACGAMB轴承 SKF 7076BM轴承 SKF 7076BGM轴承 SKF 7076AM轴承 SKF 71976ACGAMB轴承 SKF 466953轴承 SKF 71876ACGAMB轴承 SKF 70876AMB轴承 SKF NCF3076CV轴承 SKF 6076M轴承 SKF 16076MA轴承 SKF 61976MA轴承 SKF 61876TN9轴承 SKF 61876MA轴承 SKF BFSB353205轴承 SKF 314486A轴承 SKF BC2B319961轴承
轴承型号查询- 关于我们- 联系我们- 帮助中心- 专用轴承- 网站导航- 轴承索引
客服热线:010-80849863 客服QQ:168681653
地址:北京市丰台区马家堡西路36号 京ICP备17062353号-1