
型号:NU240ECM
订购电话:15811153859
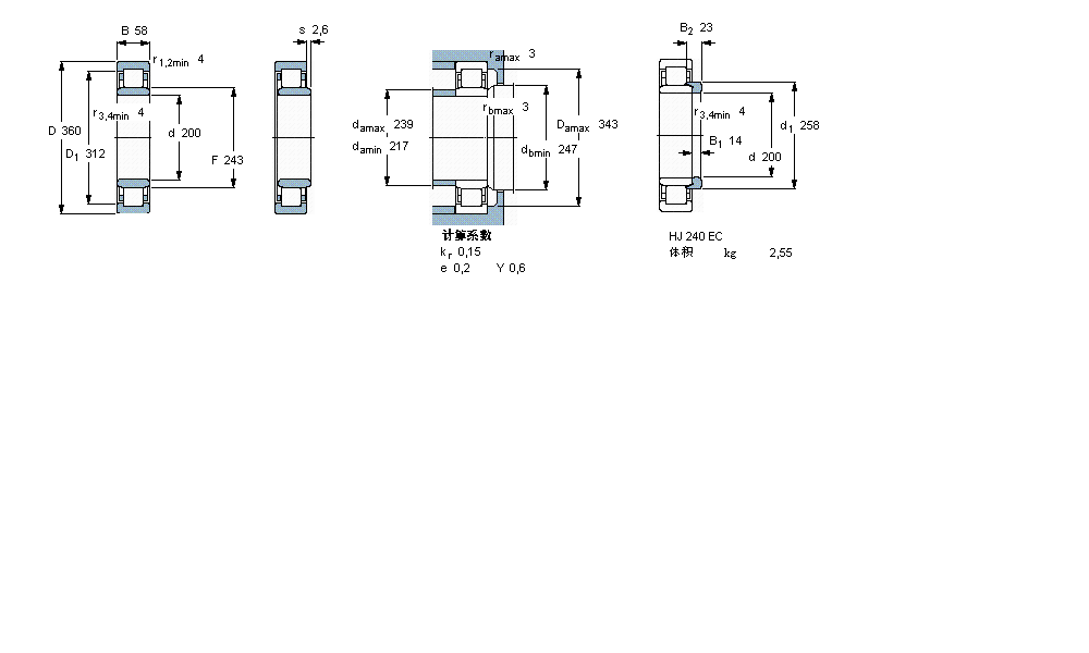
| 圆柱滚子轴承, 单列, NU 设计 | ||||||||||||
| 公差 , 参见文字 | ||||||||||||
| 径向内部间隙, 圆柱型内孔 , 圆锥型内孔, 无密封件 , 参见文字 | ||||||||||||
| 推荐配合 | ||||||||||||
| 轴和轴承座公差 | ||||||||||||
| | ||||||||||||
| 主要数据尺寸 | 基本负荷额定值 | 疲劳负荷限值 | 额定速度 | 体积 | 型号 | 适宜的斜挡圈 | ||||||
| 动态 | 静态 | 参照速度 | 限制速度 | 型号 | ||||||||
| d | D | B | C | C0 | Pu | * - SKF Explorer 轴承 | ||||||
| | ||||||||||||
| mm | kN | kN | r/min | kg | - | - | ||||||
| | ||||||||||||
| 200 | 360 | 58 | 850 | 1020 | 100 | 1900 | 2200 | 28,5 | NU 240 ECM * | HJ 240 EC | ||
SKF QJ344N2MA轴承 SKF QJ344N2/309829轴承 SKF QJ1244N2MA轴承 SKF 305272DA轴承 SKF 305610A轴承 SKF 2×7344BCBM轴承 SKF 2×7244BCBM轴承 SKF 2×7044BGM轴承 SKF 2×466931轴承 SKF 7344BCBM轴承 SKF 7244BCBM轴承 SKF 7044BGM轴承 SKF 6344M轴承 SKF 6244M轴承 SKF 6044M轴承 SKF 61944MA轴承 SKF RNU1038ML轴承 SKF K210x220x42轴承 SKF BT4B328065/HA1轴承 SKF 313584K轴承 SKF NU3240ECM轴承 SKF NU2240ECMA轴承 SKF NJ2240ECMA轴承 SKF NUP240ECMA轴承 SKF NUP240ECM轴承 SKF NU240ECMA轴承 SKF NU240ECM轴承 SKF NJ240ECMA轴承 SKF NJ240ECM轴承 SKF NU1040MA轴承 SKF NU1040M轴承 SKF NJ1940ECMP轴承 SKF NJ2840ECMA轴承 SKF 13940轴承 SKF QJ1240N2MA轴承 SKF QJ240N2MA轴承 SKF QJ1040N2MA轴承 SKF 2×7340BCBM轴承 SKF 2×7240BCBM轴承 SKF 7340BCBM轴承 SKF 7240BCBM轴承 SKF 305352轴承 SKF 305263DA轴承 SKF 305393轴承 SKF 305237A轴承 SKF 6240M轴承 SKF 6040M轴承 SKF 61940MA轴承 SKF K195x205x37轴承 SKF NU2338ECMA轴承 SKF NU338ECM轴承 SKF QJ338N2MA轴承 SKF QJ238N2MA轴承 SKF 16044轴承 SKF 61844轴承 SKF RNA4838轴承 SKF 16040轴承 SKF 61840轴承 SKF RNA4836轴承
轴承型号查询- 关于我们- 联系我们- 帮助中心- 专用轴承- 网站导航- 轴承索引
客服热线:010-80849863 客服QQ:168681653
地址:北京市丰台区马家堡西路36号 京ICP备17062353号-1