
型号:NU2238ECM
订购电话:15811153859
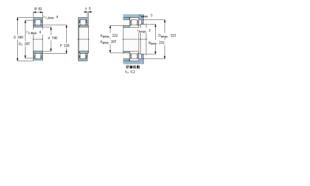
| 圆柱滚子轴承, 单列, NU 设计 | ||||||||||||
| 公差 , 参见文字 | ||||||||||||
| 径向内部间隙, 圆柱型内孔 , 圆锥型内孔, 无密封件 , 参见文字 | ||||||||||||
| 推荐配合 | ||||||||||||
| 轴和轴承座公差 | ||||||||||||
| | ||||||||||||
| 主要数据尺寸 | 基本负荷额定值 | 疲劳负荷限值 | 额定速度 | 体积 | 型号 | 适宜的斜挡圈 | ||||||
| 动态 | 静态 | 参照速度 | 限制速度 | 型号 | ||||||||
| d | D | B | C | C0 | Pu | * - SKF Explorer 轴承 | ||||||
| | ||||||||||||
| mm | kN | kN | r/min | kg | - | - | ||||||
| | ||||||||||||
| 190 | 340 | 92 | 1220 | 1600 | 160 | 2000 | 3000 | 39,0 | NU 2238 ECM * | - | ||
SKF NJ2840ECMA轴承 SKF 13940轴承 SKF QJ1240N2MA轴承 SKF QJ240N2MA轴承 SKF QJ1040N2MA轴承 SKF 2×7340BCBM轴承 SKF 2×7240BCBM轴承 SKF 7340BCBM轴承 SKF 7240BCBM轴承 SKF 305352轴承 SKF 305263DA轴承 SKF 305393轴承 SKF 305237A轴承 SKF 6240M轴承 SKF 6040M轴承 SKF 61940MA轴承 SKF K195x205x37轴承 SKF NU2338ECMA轴承 SKF NU338ECM轴承 SKF QJ338N2MA轴承 SKF QJ238N2MA轴承 SKF QJ1038N2MA轴承 SKF 2×7338BCBM轴承 SKF 2×7238BCBM轴承 SKF NU2238ECMA轴承 SKF NU2238ECM轴承 SKF NUP238ECMA轴承 SKF NUP238ECM轴承 SKF NU238ECMA轴承 SKF NU238ECM轴承 SKF NJ238ECMA轴承 SKF NJ238ECM轴承 SKF NU1038ML轴承 SKF NJ1038ML轴承 SKF NJ1938ECML轴承 SKF 7338BCBM轴承 SKF 7238BCBM轴承 SKF 305178轴承 SKF 305338DA轴承 SKF 305609A轴承 SKF 6338M轴承 SKF 6238M轴承 SKF 6038M轴承 SKF 61938MA轴承 SKF 61838轴承 SKF K185x195x37轴承 SKF 2×7036BGM轴承 SKF NUP436MA轴承 SKF NU2336ECMA轴承 SKF NU336ECM轴承 SKF NU2236ECMA轴承 SKF 16040轴承 SKF 61840轴承 SKF RNA4836轴承 SKF 2×466880轴承 SKF 16038轴承 SKF 29336E轴承 SKF 29236E轴承
轴承型号查询- 关于我们- 联系我们- 帮助中心- 专用轴承- 网站导航- 轴承索引
客服热线:010-80849863 客服QQ:168681653
地址:北京市丰台区马家堡西路36号 京ICP备17062353号-1