
型号:NJ226ECM
订购电话:15811153859
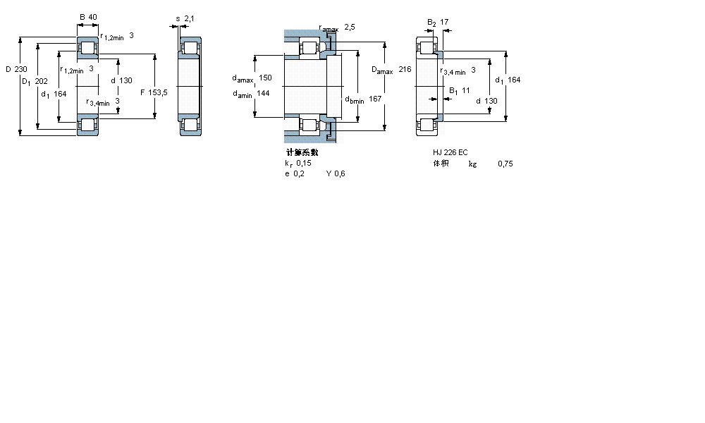
| 圆柱滚子轴承, 单列, NJ 设计 | ||||||||||||
| 公差 , 参见文字 | ||||||||||||
| 径向内部间隙, 圆柱型内孔 , 圆锥型内孔, 无密封件 , 参见文字 | ||||||||||||
| 推荐配合 | ||||||||||||
| 轴和轴承座公差 | ||||||||||||
| | ||||||||||||
| 主要数据尺寸 | 基本负荷额定值 | 疲劳负荷限值 | 额定速度 | 体积 | 型号 | 适宜的斜挡圈 | ||||||
| 动态 | 静态 | 参照速度 | 限制速度 | 型号 | ||||||||
| d | D | B | C | C0 | Pu | * - SKF Explorer 轴承 | ||||||
| | ||||||||||||
| mm | kN | kN | r/min | kg | - | - | ||||||
| | ||||||||||||
| 130 | 230 | 40 | 415 | 455 | 51 | 3200 | 3400 | 6,60 | NJ 226 ECM * | HJ 226 EC | ||
SKF 61828-2RZ轴承 SKF 61828-2RS1轴承 SKF 61828轴承 SKF MB27轴承 SKF KM27轴承 SKF C2230K+H3130L轴承 SKF C3130K+H3130L轴承 SKF C3030KV+H3030轴承 SKF 22330CCK/W33+H2330轴承 SKF 23230CCK/W33+H2330轴承 SKF 22230CCK/W33+H3130轴承 SKF 23130CCK/W33+H3130轴承 SKF 23030CCK/W33+H3030轴承 SKF K135x143x35轴承 SKF C2228K+AHX3128轴承 SKF C4128K30V+AH24128轴承 SKF C4028K30V+AH24028轴承 SKF C3028K+AHX3028轴承 SKF 7326BCBM轴承 SKF 7226BM轴承 SKF 7226BGAM轴承 SKF 7226BCBM轴承 SKF 6326/C3VL2071轴承 SKF 6226/C3VL2071轴承 SKF NU226ECJ轴承 SKF NJ226ECP轴承 SKF NJ226ECML轴承 SKF NJ226ECM轴承 SKF NJ226ECJ轴承 SKF N226ECP轴承 SKF NU2026ECMA轴承 SKF NU1026ML轴承 SKF NU1026M轴承 SKF NJ1026M轴承 SKF 6326M轴承 SKF 6226-Z轴承 SKF 6226-2Z轴承 SKF 6026-Z轴承 SKF 6026-RS1轴承 SKF 6026-2Z轴承 SKF 6026-2RS1轴承 SKF 6026轴承 SKF 16026轴承 SKF 61926轴承 SKF 61826-2RZ轴承 SKF 61826-2RS1轴承 SKF 61826轴承 SKF GEG125ES轴承 SKF MB25轴承 SKF KM25轴承 SKF C2228K+H3128L轴承 SKF C3028K+H3028轴承 SKF 22328CCK/W33+H2328轴承 SKF 23228CCK/W33+H2328轴承 SKF 22228CCK/W33+H3128轴承 SKF 23128CCK/W33+H3128轴承 SKF C3030KMB+H3030E轴承 SKF 6226轴承
轴承型号查询- 关于我们- 联系我们- 帮助中心- 专用轴承- 网站导航- 轴承索引
客服热线:010-80849863 客服QQ:168681653
地址:北京市丰台区马家堡西路36号 京ICP备17062353号-1