
型号:E2.6204-2Z/C3
订购电话:15811153859
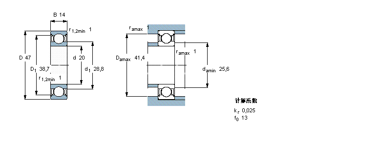
| 深沟球轴承, 单列, SKF Energy Efficient (E2) bearings | ||||||||||
| 公差, 参见文字 | ||||||||||
| 径向内部游隙 , 参见文字 | ||||||||||
| 推荐配合 | ||||||||||
| 轴和轴承座公差 | ||||||||||
| | ||||||||||
| 主要数据尺寸 | 基本负荷额定值 | 疲劳负荷限值 | 额定速度 | 体积 | 型号 | |||||
| 动态 | 静态 | 参照速度 | 限制速度 | |||||||
| d | D | B | C | C0 | Pu | |||||
| | ||||||||||
| mm | kN | kN | r/min | kg | - | |||||
| | ||||||||||
| 20 | 47 | 14 | 12,7 | 6,55 | 0,275 | 35000 | 19000 | 0,11 | E2.6204-2Z/C3 | |
SKF E2.6005-2Z/C3轴承 SKF 6305-ZNR轴承 SKF 6305-2ZNR轴承 SKF 6205-ZNR轴承 SKF 6205-2ZNR轴承 SKF 6005-ZNR轴承 SKF 6005-2ZNR轴承 SKF 7204BECBY轴承 SKF 7204BECBP轴承 SKF 7204BECBM轴承 SKF W6304-2Z轴承 SKF W6304-2RS1轴承 SKF W6204-2Z轴承 SKF W6204-2RS1轴承 SKF W6004-2Z轴承 SKF W6004-2RS1轴承 SKF W6004轴承 SKF W61904-2RS1轴承 SKF W61804-2RS1轴承 SKF W61804轴承 SKF E2.6304-2Z/C3轴承 SKF E2.6204-2Z/C3轴承 SKF E2.6004-2Z/C3轴承 SKF 6304-ZNR轴承 SKF 6304-2ZNR轴承 SKF 6204-ZNR轴承 SKF 6204-2ZNR轴承 SKF 6004-ZNR轴承 SKF 6004-2ZNR轴承 SKF 6004NR轴承 SKF 6004N轴承 SKF 6305NR轴承 SKF 6305N轴承 SKF 6205NR轴承 SKF 6205N轴承 SKF 6005NR轴承 SKF 6005N轴承 SKF W6304轴承 SKF W6204轴承 SKF 6304NR轴承 SKF 6304N轴承 SKF 6204NR轴承 SKF 6204N轴承
轴承型号查询- 关于我们- 联系我们- 帮助中心- 专用轴承- 网站导航- 轴承索引
客服热线:010-80849863 客服QQ:168681653
地址:北京市丰台区马家堡西路36号 京ICP备17062353号-1