
型号:W6302-2Z
订购电话:15811153859
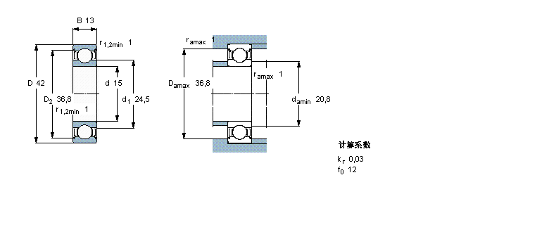
| 深沟球轴承, 单列,不锈钢, 两面防尘罩 | ||||||||||
| 公差 , 参见文字 | ||||||||||
| 径向内部游隙 , 参见文字 | ||||||||||
| 推荐配合 | ||||||||||
| 轴和轴承座公差 | ||||||||||
| | ||||||||||
| 主要数据尺寸 | 基本负荷额定值 | 疲劳负荷限值 | 额定速度 | 体积 | 型号 | |||||
| 动态 | 静态 | 参照速度 | 限制速度 | |||||||
| d | D | B | C | C0 | Pu | |||||
| | ||||||||||
| mm | kN | kN | r/min | kg | - | |||||
| | ||||||||||
| 15 | 42 | 13 | 9,56 | 5,2 | 0,228 | 38000 | 19000 | 0,082 | W 6302-2Z | |
NSK 692轴承 NSK MR52B轴承 NSK 682轴承 NSK F01XZZ轴承 NSK F691XZZ轴承 NSK F681XZZ轴承 NSK F601X轴承 NSK F691X轴承 NSK F681X轴承 NSK 601XZZ轴承 NSK 691XZZ轴承 NSK 681XZZ轴承 NSK 601X轴承 NSK 691X轴承 NSK 681X轴承 NSK F691轴承 NSK F681轴承 NSK 691轴承 NSK MR31轴承 NSK 681轴承 SKF 6202-2Z/VA201轴承 SKF 6202-2RSLTN9/HC5C3WT轴承 SKF 6002-2RSLTN9/HC5C3WT轴承 SKF 7302BEP轴承 SKF 7302BECBP轴承 SKF 7202BEP轴承 SKF 7202BEGBP轴承 SKF 7202BEGAP轴承 SKF 7202BECBP轴承 SKF W6302-2Z轴承 SKF W6302-2RS1轴承 SKF W6302轴承 SKF W6202-2Z轴承 SKF W6202-2RS1轴承 SKF W6202轴承 SKF W6002-2Z轴承 SKF W6002-2RS1轴承 SKF W6002轴承 SKF W61902-2Z轴承 SKF W61902-2RS1轴承 SKF W61902轴承 SKF W61802-2Z轴承 SKF W61802轴承 SKF E2.6302-2Z/C3轴承 SKF E2.6202-2Z/C3轴承 SKF E2.6002-2Z/C3轴承 SKF 6202-ZNR轴承 SKF 6202-2ZNR轴承 SKF 6202NR轴承 SKF 6202N轴承 SKF SILKAC14M轴承 SKF SIKAC14M轴承 SKF IR14x17x17轴承 SKF NK14/20轴承 SKF NK14/16轴承 SKF RNA4900.2RS轴承 SKF RNA4900RS轴承 SKF HK1416.2RS轴承 SKF RNA4900轴承
轴承型号查询- 关于我们- 联系我们- 帮助中心- 专用轴承- 网站导航- 轴承索引
客服热线:010-80849863 客服QQ:168681653
地址:北京市丰台区马家堡西路36号 京ICP备17062353号-1