
型号:E2.6000-2Z/C3
订购电话:15811153859
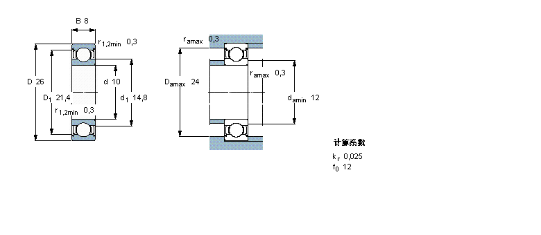
| 深沟球轴承, 单列, SKF Energy Efficient (E2) bearings | ||||||||||
| 公差, 参见文字 | ||||||||||
| 径向内部游隙 , 参见文字 | ||||||||||
| 推荐配合 | ||||||||||
| 轴和轴承座公差 | ||||||||||
| | ||||||||||
| 主要数据尺寸 | 基本负荷额定值 | 疲劳负荷限值 | 额定速度 | 体积 | 型号 | |||||
| 动态 | 静态 | 参照速度 | 限制速度 | |||||||
| d | D | B | C | C0 | Pu | |||||
| | ||||||||||
| mm | kN | kN | r/min | kg | - | |||||
| | ||||||||||
| 10 | 26 | 8 | 4,62 | 1,93 | 0,08 | 70000 | 36000 | 0,019 | E2.6000-2Z/C3 | |
SKF 6201-ZNR轴承 SKF 6201-2ZNR轴承 SKF 6201NR轴承 SKF 6201N轴承 SKF 4200ATN9轴承 SKF 6300-2Z/VA201轴承 SKF 6200-2RSLTN9/HC5C3WT轴承 SKF 6000-2RSLTN9/HC5C3WT轴承 SKF 7200BEP轴承 SKF 7200BECBP轴承 SKF W63800-2ZR轴承 SKF W6300-2Z轴承 SKF W6300-2RS1轴承 SKF W6300轴承 SKF W6200-2Z轴承 SKF W6200-2RS1轴承 SKF W6200轴承 SKF W6000-2Z轴承 SKF W6000-2RS1轴承 SKF W6000轴承 SKF W61900-2Z轴承 SKF W61900轴承 SKF W63800-2Z轴承 SKF W61800-2Z轴承 SKF W61800-2RS1轴承 SKF W61800轴承 SKF W61700轴承 SKF E2.6300-2Z/C3轴承 SKF E2.6200-2Z/C3轴承 SKF E2.6000-2Z/C3轴承 SKF 6200-ZNR轴承 SKF 6200-2ZNR轴承 SKF 6200NR轴承 SKF 6200N轴承 SKF 629-2Z轴承 SKF 629-2RSL轴承 SKF 629-2RSH轴承 SKF 629轴承 SKF 609-Z轴承 SKF 609-RSL轴承 SKF 609-RSH轴承 SKF 609-2Z轴承 SKF 609-2RSL轴承 SKF 609-2RSH轴承 SKF 609轴承 SKF 619/9-2Z轴承 SKF 619/9轴承 SKF 628/9-Z轴承 SKF 628/9-2Z轴承 SKF 628/9-2RS1轴承 SKF 618/9轴承 SKF NAO9x22x12TN轴承 SKF 129TN9轴承 SKF K9x12x13TN轴承 SKF K9x12x10TN轴承 SKF W629-2Z轴承 SKF W629轴承 SKF W609-2Z轴承 SKF W609轴承
轴承型号查询- 关于我们- 联系我们- 帮助中心- 专用轴承- 网站导航- 轴承索引
客服热线:010-80849863 客服QQ:168681653
地址:北京市丰台区马家堡西路36号 京ICP备17062353号-1