
型号:W628/8-2Z
订购电话:15811153859
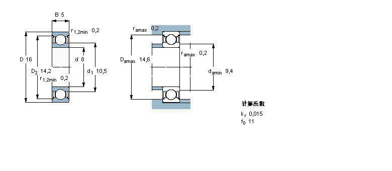
| 深沟球轴承, 单列,不锈钢, 两面防尘罩 | ||||||||||
| 公差 , 参见文字 | ||||||||||
| 径向内部游隙 , 参见文字 | ||||||||||
| 推荐配合 | ||||||||||
| 轴和轴承座公差 | ||||||||||
| | ||||||||||
| 主要数据尺寸 | 基本负荷额定值 | 疲劳负荷限值 | 额定速度 | 体积 | 型号 | |||||
| 动态 | 静态 | 参照速度 | 限制速度 | |||||||
| d | D | B | C | C0 | Pu | |||||
| | ||||||||||
| mm | kN | kN | r/min | kg | - | |||||
| | ||||||||||
| 8 | 16 | 5 | 1,12 | 0,55 | 0,024 | 90000 | 45000 | 0,0040 | W 628/8-2Z | |
SKF W628/9-2Z轴承 SKF W618/9轴承 SKF E2.609-2Z/C3轴承 SKF 608-2Z轴承 SKF 608-2RSL轴承 SKF 608-2RSH轴承 SKF 608轴承 SKF 619/8-2Z轴承 SKF 619/8-2RS1轴承 SKF 619/8轴承 SKF 607/8-Z轴承 SKF 607/8-2Z轴承 SKF 638/8-2Z轴承 SKF 628/8-2Z轴承 SKF 628/8-2RS1轴承 SKF 618/8轴承 SKF 108TN9轴承 SKF K8x12x10TN轴承 SKF K8x11x13TN轴承 SKF K8x11x10TN轴承 SKF K8x11x8TN轴承 SKF 608-2RSLTN9/HC5C3WTF1轴承 SKF W638/8-2ZR轴承 SKF W608-2Z轴承 SKF W608-2RS1轴承 SKF W608轴承 SKF W619/8-2Z轴承 SKF W619/8轴承 SKF W638/8-2Z轴承 SKF W628/8-2Z轴承 SKF W618/8轴承 SKF E2.628-2Z/C3轴承 SKF E2.608-2Z/C3轴承 SKF 627轴承 SKF 607-Z轴承 SKF 607-RSL轴承 SKF 607-RSH轴承 SKF 607-2Z轴承 SKF 607-2RSL轴承 SKF 607-2RSH轴承 SKF 607轴承 SKF 619/7-2Z轴承 SKF 619/7轴承 SKF 628/7-2Z轴承 SKF 618/7轴承 SKF 127TN9轴承 SKF K7x10x10TN轴承 SKF K7x10x8TN轴承 SKF K7x9x7TN轴承 SKF 627-2RSLTN9/HC5C3WTF1轴承 SKF 607-2RSLTN9/HC5C3WTF1轴承 SKF W627-2Z轴承 SKF W627轴承 SKF W607-2Z轴承 SKF W607-2RS1轴承 SKF W607轴承 SKF W619/7-2Z轴承 SKF W619/7轴承 SKF W628/7-2Z轴承
轴承型号查询- 关于我们- 联系我们- 帮助中心- 专用轴承- 网站导航- 轴承索引
客服热线:010-80849863 客服QQ:168681653
地址:北京市丰台区马家堡西路36号 京ICP备17062353号-1