
型号:W625
订购电话:15811153859
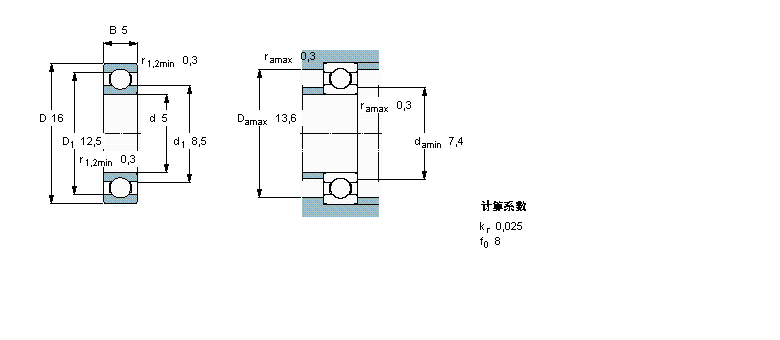
| 深沟球轴承, 单列,不锈钢, 无密封件 | ||||||||||
| 公差 , 参见文字 | ||||||||||
| 径向内部游隙 , 参见文字 | ||||||||||
| 推荐配合 | ||||||||||
| 轴和轴承座公差 | ||||||||||
| | ||||||||||
| 主要数据尺寸 | 基本负荷额定值 | 疲劳负荷限值 | 额定速度 | 体积 | 型号 | |||||
| 动态 | 静态 | 参照速度 | 限制速度 | |||||||
| d | D | B | C | C0 | Pu | |||||
| | ||||||||||
| mm | kN | kN | r/min | kg | - | |||||
| | ||||||||||
| 5 | 16 | 5 | 0,923 | 0,365 | 0,016 | 95000 | 60000 | 0,005 | W 625 | |
SKF W618/6R轴承 SKF W626-2Z轴承 SKF W626-2RS1轴承 SKF W626轴承 SKF W619/6-2Z轴承 SKF W619/6轴承 SKF W628/6-2Z轴承 SKF W618/6轴承 SKF W627/6-2Z轴承 SKF E2.626-2Z/C3轴承 SKF 635-2RZ轴承 SKF 635-2RS1轴承 SKF 635轴承 SKF 625-Z轴承 SKF 625-2Z轴承 SKF 625轴承 SKF 619/5-2Z轴承 SKF 619/5轴承 SKF 638/5-2Z轴承 SKF 135TN9轴承 SKF K5x8x10TN轴承 SKF K5x8x8TN轴承 SKF 625-2RZTN9/HC5C3WTF1轴承 SKF W638/5-2ZR轴承 SKF W628/5-2ZR轴承 SKF W635-2Z轴承 SKF W635轴承 SKF W625-2Z轴承 SKF W625-2RS1轴承 SKF W625轴承 SKF W619/5-2Z轴承 SKF W619/5轴承 SKF W638/5-2Z轴承 SKF W628/5-2Z轴承 SKF W618/5轴承 SKF W627/5-2Z轴承 SKF E2.635-2Z/C3轴承 SKF E2.625-2Z/C3轴承 SKF 628/5-2Z轴承 SKF 618/5轴承 SKF W618/4R轴承 SKF W634-2Z轴承 SKF W624-2Z轴承 SKF W624-2RS1轴承 SKF W624轴承 SKF W604-2Z轴承 SKF W604轴承 SKF W619/4-2Z轴承 SKF W619/4轴承 SKF W638/4-2Z轴承 SKF W628/4-2Z轴承 SKF W618/4轴承 SKF 634-Z轴承 SKF 634-RZ轴承 SKF 634-RS1轴承 SKF 634-2Z轴承 SKF 634-2RZ轴承 SKF 634-2RS1轴承 SKF 634轴承
轴承型号查询- 关于我们- 联系我们- 帮助中心- 专用轴承- 网站导航- 轴承索引
客服热线:010-80849863 客服QQ:168681653
地址:北京市丰台区马家堡西路36号 京ICP备17062353号-1