
型号:W639/3-2Z
订购电话:15811153859
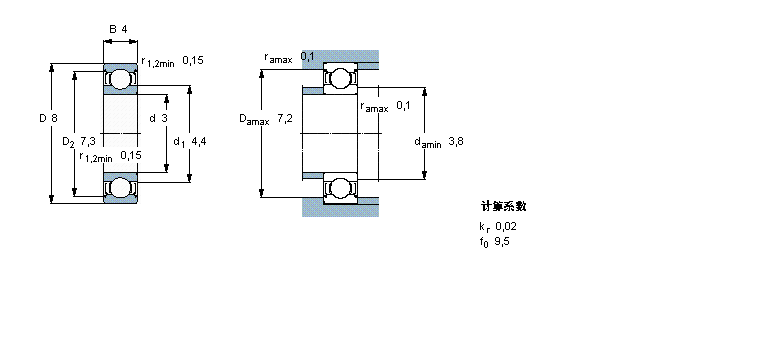
| 深沟球轴承, 单列,不锈钢, 两面防尘罩 | ||||||||||
| 公差 , 参见文字 | ||||||||||
| 径向内部游隙 , 参见文字 | ||||||||||
| 推荐配合 | ||||||||||
| 轴和轴承座公差 | ||||||||||
| | ||||||||||
| 主要数据尺寸 | 基本负荷额定值 | 疲劳负荷限值 | 额定速度 | 体积 | 型号 | |||||
| 动态 | 静态 | 参照速度 | 限制速度 | |||||||
| d | D | B | C | C0 | Pu | |||||
| | ||||||||||
| mm | kN | kN | r/min | kg | - | |||||
| | ||||||||||
| 3 | 8 | 4 | 0,39 | 0,129 | 0,0056 | 150000 | 75000 | 0,0008 | W 639/3-2Z | |
SKF 634-2Z轴承 SKF 634-2RZ轴承 SKF 634-2RS1轴承 SKF 634轴承 SKF 624-Z轴承 SKF 624-2Z轴承 SKF 624轴承 SKF 604-Z轴承 SKF 604-2Z轴承 SKF 604轴承 SKF 619/4-2Z轴承 SKF 619/4轴承 SKF 638/4-2Z轴承 SKF 628/4-2Z轴承 SKF 618/4轴承 SKF 623/HR22T2轴承 SKF 623/HR22Q2轴承 SKF 623/HR11TN轴承 SKF 623/HR11QN轴承 SKF BA3轴承 SKF HK0306TN轴承 SKF BK0306TN轴承 SKF K3x6x7TN轴承 SKF K3x5x9TN轴承 SKF K3x5x7TN轴承 SKF W623-2ZR轴承 SKF W618/3R轴承 SKF W623-2Z轴承 SKF W623轴承 SKF W639/3-2Z轴承 SKF W619/3-2Z轴承 SKF W638/3-2Z轴承 SKF W637/3-2Z轴承 SKF W637/3轴承 SKF 623-Z轴承 SKF 623-RS1轴承 SKF 623-2Z轴承 SKF 623-2RS1轴承 SKF 623轴承 SKF W60/2.5-2Z轴承 SKF W60/2.5轴承 SKF W619/2.5-2Z轴承 SKF W639/2-2Z轴承 SKF W619/2-2Z轴承 SKF W638/2-2Z轴承 SKF W618/2轴承 SKF W639/1.5-2Z轴承 SKF W638/1.5-2Z轴承 SKF W618/1轴承
轴承型号查询- 关于我们- 联系我们- 帮助中心- 专用轴承- 网站导航- 轴承索引
客服热线:010-80849863 客服QQ:168681653
地址:北京市丰台区马家堡西路36号 京ICP备17062353号-1