
型号:轴承GE50-HO-2RS
订购电话:15811153859
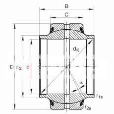
| 关节轴承 | |
| 根据 DIN ISO 12 240-1 标准, 需维护,两侧唇密封 |
| ||||||||||||||||||||||||||||||||||||||||||||||||||||||||||||||||||||||||||||||||||||||
|
|
FAG 21310-E1-K轴承 FAG 21310-E1轴承 FAG 20310-TVP轴承 FAG 1310-TVH轴承 FAG 1310-K-TVH-C3轴承 FAG 53310+U310轴承 FAG HSS7010-E-T-P4S轴承 FAG HSS7010-C-T-P4S轴承 FAG HS7010-E-T-P4S轴承 FAG HS7010-C-T-P4S轴承 FAG HCS7010-E-T-P4S轴承 FAG HCS7010-C-T-P4S轴承 FAG HCB7010-E-T-P4S轴承 FAG HCB7010-E-2RSD-T-P4S轴承 FAG HCB7010-C-T-P4S轴承 FAG HCB7010-C-2RSD-T-P4S轴承 FAG HC7010-E-T-P4S轴承 FAG HC7010-C-T-P4S轴承 FAG B7010-E-T-P4S轴承 FAG B7010-E-2RSD-T-P4S轴承 FAG B7010-C-T-P4S轴承 FAG B7010-C-2RSD-T-P4S轴承 FAG 6010-2Z轴承 FAG 6010-2RSR轴承 FAG 6010轴承 FAG 16010轴承 FAG GE50-LO轴承 FAG GE50-HO-2RS轴承 FAG GE50-UK-2RS轴承 FAG GE50-DO-2RS轴承 FAG GE50-DO轴承 FAG NA6910-ZW轴承 FAG NKIB5910轴承 FAG NKIA5910轴承 FAG 7603045-TVP轴承 FAG 7309-B-TVP轴承 FAG 7309-B-JP轴承 FAG 6309-2Z轴承 FAG 6309-2RSR轴承 FAG T7FC050轴承 FAG T2ED050轴承
轴承型号查询- 关于我们- 联系我们- 帮助中心- 专用轴承- 网站导航- 轴承索引
客服热线:010-80849863 客服QQ:168681653
地址:北京市丰台区马家堡西路36号 京ICP备17062353号-1